Producto Descripción general
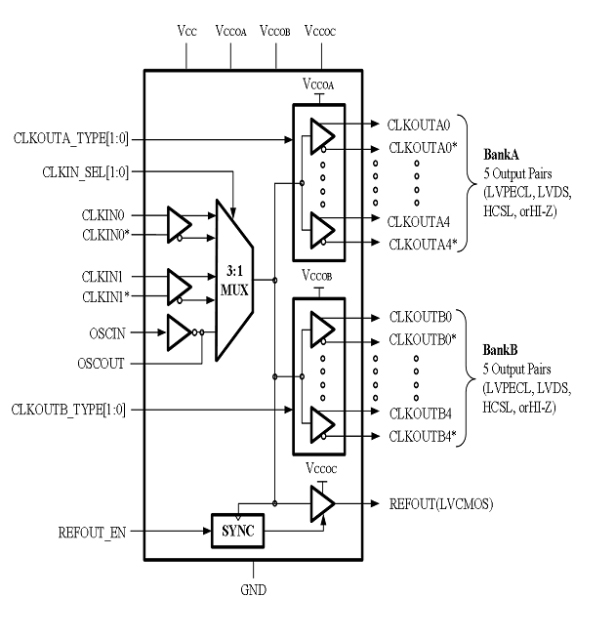
El AC2301 es un buffer de distribución diferencial de 10 canales y 3 GHz diseñado para distribución de reloj/datos de alta frecuencia y baja fluctuación y traducción de niveles. El reloj de entrada se puede seleccionar entre dos entradas diferenciales o una entrada de cristal único. El reloj de entrada seleccionado se distribuye en dos grupos de salida, cada uno de los cuales consta de cinco salidas diferenciales y una salida LVCMOS con funcionalidad de sincronización.
Aplicaciones típicas:
Distribución de reloj y traducción de niveles para ADC, DAC, XAUI, SATA/SAS, SONET/SDH, CPRI, Fibre Channel, Multi-Gigabit Ethernet y backplanes de alta frecuencia
Conmutadores, enrutadores, tarjetas de interfaz de línea, tarjetas de sincronización
Servidores, informática, PCI Express (PCIe 3.0, 4.0)
Unidades de radio remotas y unidades de estación base
Especificaciones técnicas
Técnico Indicadores

| Características clave | |
| Multiplexor de entrada 3:1 | Dos entradas universales funcionan hasta 2,1 GHz y admiten LVPECL, LVDS, CML, SSTL, HSTL, HCSL o relojes de un solo extremo. |
| La entrada de cristal único admite cristales de 10 a 40 MHz o relojes de un solo extremo. | |
| Dos grupos, cada uno con 5 salidas diferenciales. | LVPECL, LVDS, HCSL o alta impedancia (Hi-Z) (seleccionable por grupo) |
| Jitter aditivo LVPECL en fuente de reloj de entrada de 156,25 MHz | 41 fs RMS (10 kHz a 20 MHz) |
| 35 fs RMS (de 1 MHz a 20 MHz) | |
| PSSR alto | -80/-58 dBc (LVPECL/LVDS) a 156,25 MHz |
| Salida LVCMOS con control de habilitación síncrona | |
| Configuración por control de pin | |
| Fuente de alimentación central VCC | 3,3 V ± 5% |
| 3 fuentes de alimentación de salida VCCO independientes | 3,3 V/2,5 V ±5% |
| Rango de temperatura industrial | -40 ℃ a +85 ℃ |
| Paquete QFN48 | 7,0x7,0x0,75mm |
Relacionado Noticias
Aplicación del servidor de tiempo NTP en la fábrica inteligente
Impulsadas por la Industria 4.0 y la fabricación inteligente, las empresas han elevado sus exigencias en cuanto a eficiencia productiva, precisión de datos y estabilidad de los sistemas. En este contexto, la tecnología de sincronización temporal, que constituye la base de los sistemas de control industrial (como PLC, SCADA, MES, etc.), se ha conver
Más información +Saisi presenta en MWC2026 Barcelona: Soluciones avanzadas de comunicación de tiempo-frecuencia y voz
Zhejiang Saisi, pionero destacado en el sector de chips de tiempo-frecuencia y comunicaciones con I+D independiente en China, presentará sus soluciones clave de comunicación de voz y sincronización de tiempo-frecuencia en MWC2026 ("La Era IQ"), del 2 al 5 de marzo, en el Salón 5, Stand 5J64, de Fira Gran Via Barcelona, donde exhibirá sus chips y so
Más información +¿Cuáles son los principios de funcionamiento del sistema de relojes del metro?
El sistema de relojes del metro es uno de los componentes clave del sistema eléctrico débil del metro. Su función principal no solo es proporcionar una hora estándar unificada al personal de control de operaciones (OCC), al personal de la estación, al personal de mantenimiento, al personal de oficina y a los pasajeros, sino también suministrar seña
Más información +¿Cómo prolongar la vida útil de un oscilador cristalino con compensación térmica?
I. Resumen general El oscilador de cristal con compensación térmica (TCXO) es un componente electrónico común que se utiliza ampliamente en diversos dispositivos electrónicos. Su función principal es generar una frecuencia estable, proporcionando así una señal de reloj precisa para los circuitos. No obstante, al utilizar un TCXO es necesario tener
Más información +En los primeros juegos de robots humanoides del mundo, cada giro preciso y cada coordinación impecable mostraron los últimos avances en inteligencia industrial. Detrás de estas asombrosas hazañas tecnológicas se encuentra un corazón que late: un oscilador de cristal de grado industrial.
Más información +El 20 de noviembre de 2025, Zhejiang Saisi Electronic Technology Co., Ltd., empresa especializada en tecnología de tiempo y frecuencia, y Zhejiang Yijing Technology Co., Ltd., empresa nacional de alta tecnología, firmaron oficialmente un acuerdo de asociación para crear conjuntamente Zhejiang Saisi Yijing Technology Co., Ltd. Con la visión de 'unir
Más información +En la 26ª Exposición Internacional de Optoelectrónica de China (CIOE 2025), la solución integral de Saisi para la sincronización de voz, SLIC y relojes se convirtió en el foco de atención de este gran evento tecnológico, demostrando a la perfección cómo el hardware básico se ha convertido en el pilar fundamental que determina el nivel de inteligenc
Más información +Del 11 al 13 de julio de 2023, Saisi presentó en la Feria Electrónica de Shanghái de Múnich toda su gama de productos, incluyendo chips de reloj (SOC, Buffer), módulos de reloj (Clock Module, OCXO, Atomic Clocks) y servidores de sistemas de reloj (NTP, PTP, 1588). La Feria Electrónica de Múnich en Shanghái es una de las principales exposiciones del
Más información +¿Cuáles son las principales diferencias técnicas entre los osciladores de alta y baja gama?
En el mundo de los dispositivos electrónicos, los osciladores desempeñan un papel fundamental. Son componentes esenciales para el funcionamiento normal de numerosos circuitos y equipos. Aunque pueden parecer muy similares, existen diferencias notables entre osciladores de gama alta y de gama baja, que afectan el rendimiento y la fiabilidad del disp
Más información +Introducción teórica a la aplicación de servidores de sincronización de tiempo
1. Concepto básico del servidor de sincronización de tiempo La sincronización de tiempo, como su nombre indica, consiste en unificar el tiempo de diferentes dispositivos o sistemas bajo un mismo estándar. En las redes, esto es especialmente importante, ya que muchos dispositivos y sistemas dependen de un tiempo preciso para comunicarse y funcionar
Más información +Correo electrónico
Llámame
+86 152 6830 7576
Agregar.
No. 1376, Shunze Road, distrito de Nanhu, ciudad de Jiaxing, provincia de Zhejiang
